Grizzly Drill Press Replacement Parts . This will be indicated by. in such cases, please directly contact the manufacturer or a service center of their choice for repair or replacement. Parts may have multiple versions that have changed over time. Parts may have multiple versions that have changed over time. G4008 drill pdf manual download. Parts may have multiple versions that have changed over time. view and download grizzly g4008 parts list online. we do our best to stock replacement parts when possible, but we cannot guarantee that all parts shown are available for purchase.
from www.finepowertools.com
This will be indicated by. view and download grizzly g4008 parts list online. Parts may have multiple versions that have changed over time. we do our best to stock replacement parts when possible, but we cannot guarantee that all parts shown are available for purchase. Parts may have multiple versions that have changed over time. Parts may have multiple versions that have changed over time. G4008 drill pdf manual download. in such cases, please directly contact the manufacturer or a service center of their choice for repair or replacement.
Parts of a Drill Press Explained With Diagram
Grizzly Drill Press Replacement Parts This will be indicated by. in such cases, please directly contact the manufacturer or a service center of their choice for repair or replacement. This will be indicated by. Parts may have multiple versions that have changed over time. view and download grizzly g4008 parts list online. G4008 drill pdf manual download. Parts may have multiple versions that have changed over time. Parts may have multiple versions that have changed over time. we do our best to stock replacement parts when possible, but we cannot guarantee that all parts shown are available for purchase.
From reviewmotors.co
Grizzly Drill Press G7943 Parts List Pdf Reviewmotors.co Grizzly Drill Press Replacement Parts Parts may have multiple versions that have changed over time. Parts may have multiple versions that have changed over time. view and download grizzly g4008 parts list online. Parts may have multiple versions that have changed over time. we do our best to stock replacement parts when possible, but we cannot guarantee that all parts shown are available. Grizzly Drill Press Replacement Parts.
From www.factoryauthorizedoutlet.com
Grizzly G7948 120V/240V 20 Inch 12 Speed Floor Drill Press — Factory Grizzly Drill Press Replacement Parts Parts may have multiple versions that have changed over time. in such cases, please directly contact the manufacturer or a service center of their choice for repair or replacement. G4008 drill pdf manual download. we do our best to stock replacement parts when possible, but we cannot guarantee that all parts shown are available for purchase. Parts may. Grizzly Drill Press Replacement Parts.
From reviewmotors.co
Grizzly G9969 Drill Press Parts Reviewmotors.co Grizzly Drill Press Replacement Parts Parts may have multiple versions that have changed over time. view and download grizzly g4008 parts list online. This will be indicated by. G4008 drill pdf manual download. in such cases, please directly contact the manufacturer or a service center of their choice for repair or replacement. we do our best to stock replacement parts when possible,. Grizzly Drill Press Replacement Parts.
From reviewmotors.co
Grizzly Drill Press Replacement Parts Reviewmotors.co Grizzly Drill Press Replacement Parts Parts may have multiple versions that have changed over time. view and download grizzly g4008 parts list online. This will be indicated by. in such cases, please directly contact the manufacturer or a service center of their choice for repair or replacement. Parts may have multiple versions that have changed over time. we do our best to. Grizzly Drill Press Replacement Parts.
From civilmint.com
Parts Of A Drill Press And Their Functions [Explained With Diagram] Grizzly Drill Press Replacement Parts in such cases, please directly contact the manufacturer or a service center of their choice for repair or replacement. Parts may have multiple versions that have changed over time. we do our best to stock replacement parts when possible, but we cannot guarantee that all parts shown are available for purchase. Parts may have multiple versions that have. Grizzly Drill Press Replacement Parts.
From reviewmotors.co
Grizzly Drill Press G7948 Parts Manual Reviewmotors.co Grizzly Drill Press Replacement Parts Parts may have multiple versions that have changed over time. Parts may have multiple versions that have changed over time. we do our best to stock replacement parts when possible, but we cannot guarantee that all parts shown are available for purchase. in such cases, please directly contact the manufacturer or a service center of their choice for. Grizzly Drill Press Replacement Parts.
From reviewmotors.co
Grizzly Drill Press Parts Reviewmotors.co Grizzly Drill Press Replacement Parts in such cases, please directly contact the manufacturer or a service center of their choice for repair or replacement. view and download grizzly g4008 parts list online. This will be indicated by. Parts may have multiple versions that have changed over time. G4008 drill pdf manual download. we do our best to stock replacement parts when possible,. Grizzly Drill Press Replacement Parts.
From www.grizzly.com
20" Floor Drill Press at Grizzly Drill Press Replacement Parts we do our best to stock replacement parts when possible, but we cannot guarantee that all parts shown are available for purchase. in such cases, please directly contact the manufacturer or a service center of their choice for repair or replacement. Parts may have multiple versions that have changed over time. G4008 drill pdf manual download. view. Grizzly Drill Press Replacement Parts.
From www.youtube.com
The Ultimate Guide to Floor Model Drill Presses Grizzly Industrial Grizzly Drill Press Replacement Parts view and download grizzly g4008 parts list online. G4008 drill pdf manual download. in such cases, please directly contact the manufacturer or a service center of their choice for repair or replacement. we do our best to stock replacement parts when possible, but we cannot guarantee that all parts shown are available for purchase. This will be. Grizzly Drill Press Replacement Parts.
From applianceselloff.com
Best Grizzly Drill Press Table Home Appliances Grizzly Drill Press Replacement Parts This will be indicated by. view and download grizzly g4008 parts list online. G4008 drill pdf manual download. Parts may have multiple versions that have changed over time. Parts may have multiple versions that have changed over time. Parts may have multiple versions that have changed over time. we do our best to stock replacement parts when possible,. Grizzly Drill Press Replacement Parts.
From reviewmotors.co
Grizzly Drill Press Parts Reviewmotors.co Grizzly Drill Press Replacement Parts in such cases, please directly contact the manufacturer or a service center of their choice for repair or replacement. view and download grizzly g4008 parts list online. Parts may have multiple versions that have changed over time. we do our best to stock replacement parts when possible, but we cannot guarantee that all parts shown are available. Grizzly Drill Press Replacement Parts.
From theequipmenthub.com
Grizzly G7948 12 Speed Heavy Duty 20″ Floor Drill Press The Equipment Hub Grizzly Drill Press Replacement Parts This will be indicated by. we do our best to stock replacement parts when possible, but we cannot guarantee that all parts shown are available for purchase. G4008 drill pdf manual download. Parts may have multiple versions that have changed over time. Parts may have multiple versions that have changed over time. view and download grizzly g4008 parts. Grizzly Drill Press Replacement Parts.
From tropicalcyclocross.com
Drill Press Diagram Grizzly Drill Press Replacement Parts in such cases, please directly contact the manufacturer or a service center of their choice for repair or replacement. Parts may have multiple versions that have changed over time. Parts may have multiple versions that have changed over time. Parts may have multiple versions that have changed over time. we do our best to stock replacement parts when. Grizzly Drill Press Replacement Parts.
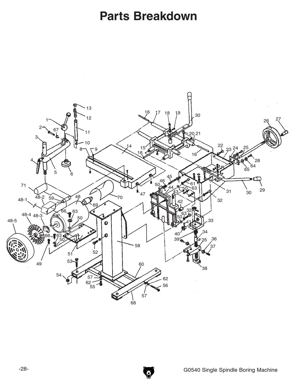
From www.manualslib.com
GRIZZLY G0540 DRILL PARTS BREAKDOWN ManualsLib Grizzly Drill Press Replacement Parts view and download grizzly g4008 parts list online. G4008 drill pdf manual download. Parts may have multiple versions that have changed over time. in such cases, please directly contact the manufacturer or a service center of their choice for repair or replacement. Parts may have multiple versions that have changed over time. Parts may have multiple versions that. Grizzly Drill Press Replacement Parts.
From www.finepowertools.com
Parts of a Drill Press Explained With Diagram Grizzly Drill Press Replacement Parts Parts may have multiple versions that have changed over time. view and download grizzly g4008 parts list online. in such cases, please directly contact the manufacturer or a service center of their choice for repair or replacement. G4008 drill pdf manual download. we do our best to stock replacement parts when possible, but we cannot guarantee that. Grizzly Drill Press Replacement Parts.
From www.grizzly.com
15" Floor VariableSpeed Drill Press Grizzly Industrial Grizzly Drill Press Replacement Parts Parts may have multiple versions that have changed over time. Parts may have multiple versions that have changed over time. G4008 drill pdf manual download. This will be indicated by. we do our best to stock replacement parts when possible, but we cannot guarantee that all parts shown are available for purchase. in such cases, please directly contact. Grizzly Drill Press Replacement Parts.
From www.youtube.com
Grizzly G0925 Drill Press Assembly YouTube Grizzly Drill Press Replacement Parts Parts may have multiple versions that have changed over time. we do our best to stock replacement parts when possible, but we cannot guarantee that all parts shown are available for purchase. view and download grizzly g4008 parts list online. Parts may have multiple versions that have changed over time. Parts may have multiple versions that have changed. Grizzly Drill Press Replacement Parts.
From www.grizzly.com
13" Floor Model Drill Press Grizzly Industrial Grizzly Drill Press Replacement Parts Parts may have multiple versions that have changed over time. we do our best to stock replacement parts when possible, but we cannot guarantee that all parts shown are available for purchase. Parts may have multiple versions that have changed over time. Parts may have multiple versions that have changed over time. This will be indicated by. view. Grizzly Drill Press Replacement Parts.